雙組簧片型膜片彈性聯軸器 雙膜片型膜片彈性聯軸器

雙組簧片型膜片彈性聯軸器特點:
膜片彈性聯軸器具有卓越高靈敏度、高扭矩剛性、大扭矩承載
零回轉間隙
順時針與逆時針回轉特性完全相同
不銹鋼膜片補償徑向、角向和軸向偏差
免維護,超強抗油和耐腐蝕性
常用于伺服電機、步進電機聯接
利用夾緊螺絲固定,安裝方便
規格詳細技術參數
|
型號
Model |
額定
扭距
(N.m) |
最大
扭距
(N.m) |
最高
轉速
(rpm) |
靜態扭
矩剛性(N/.m/rad) |
徑向
偏差 (mm) |
慣性力矩(kg. ㎡) |
角向偏差(℃) |
軸向
偏差
(mm) |
重量
(g) |
|
GK2-26D |
1.4 |
2.8 |
10000 |
950 |
0.004 |
3.3 x10-6 |
1.5 |
±0.4 |
40.5 |
|
GK2-34D |
2.8 |
5.6 |
10000 |
1960 |
0.004 |
8.9x10-6 |
1.5 |
±0.4 |
89 |
|
GK2-39D |
5.8 |
11.6 |
10000 |
4500 |
0.004 |
2.4x10-5 |
1.5 |
±0.4 |
128 |
|
GK2-44D |
8.7 |
17.4 |
10000 |
5100 |
0.004 |
3.2 x10-5 |
1.5 |
±0.4 |
159 |
|
GK2-56D |
25 |
50 |
10000 |
10500 |
0.004 |
1.1 x10-4 |
1.5 |
±0.4 |
346 |
|
GK2-68D |
55 |
110 |
10000 |
18500 |
0.004 |
2.8 x10-4 |
1.5 |
±0.4 |
580 |
|
GK-82D |
80 |
160 |
10000 |
21800 |
0.004 |
1.0 x10-3 |
1.5 |
±0.4 |
1156 |
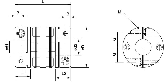
尺寸詳細參數(單位:mm)
|
型號
Model |
d 1 . d 2 |
D |
L |
L1 L2 |
M |
擰緊力矩Wrench Torque(N.m) |
|
最小 |
最大 |
|
GK2-26D |
5 |
10 |
26 |
35 |
15.5 |
M4 |
1.5 |
|
GK2-34D |
8 |
14 |
34 |
45 |
20.5 |
M4 |
1.5 |
|
GK2-39D |
10 |
16 |
39 |
49 |
22.5 |
M4 |
2.5 |
|
GK2-44D |
10 |
19 |
44 |
50 |
23 |
M4 |
2.5 |
|
GK2-56D |
14 |
25 |
56 |
64 |
29.5 |
M5 |
7 |
|
GK2-68D |
19 |
35 |
68 |
75 |
35.5 |
M6 |
12 |
|
GK2-82D |
24 |
40 |
82 |
98 |
47 |
M8 |
16 |
雙組膜片彈性聯軸器外形尺寸圖:

如需了解關于雙組簧片型膜片彈性聯軸器 雙膜片型膜片彈性聯軸器,請聯系我們,感謝光臨!
|